|
- Screened Grids and Pentodes
- What the Screening Grid Does
- The Effect of Secondary Emission
- Effect of the Screen on Valve Parameters (ra, gm, μ)
- Amplification Factor (μ)
- Mutual Conductance (gm)
- Introducing the Pentode
- Beam Tetrodes
- Grid Alignment
- The Use of the Beam Tetrode

Referring to Fig. 45 above from Electrons in Triodes it will be seen that a proportion of the magnified voltage at the anode is fed back to the grid circuit via L1 this has been done purposely in order to maintain oscillation. With the triode used as an amplifier this positive feed back, as it is termed, can also occur via a capacitative feedback path formed by the proximity of the anode and grid (Fig. 46), and this causes an unwanted oscillation which distorts the amplified signal; obviously, self-oscillation of a voltage amplifying device cannot be permitted under any circumstances and it becomes necessary to seek methods whereby such oscillations may be avoided.

At high carrier signal frequencies the reactance, ie the effective resistance to alternating current, of the capacitance formed by anode and grid (Cg), is comparatively low, thus permitting a larger current to be fed back from anode to grid than would occur at audio (speech) frequencies; thus it will be seen that instability, or susceptance to oscillation, is more likely to occur in triodes used as HF amplifiers than as audio amplifiers.

Fig 48 depicts a stage of high frequency amplification employing tuned transformers in the grid and anode circuits; due to Cag this circuit would very probably oscillate most readily under certain conditions of anode/grid phase relationship and it is not, therefore, a reliable amplifier at high frequencies.

In order to reduce as far as possible the inherent grid/anode capacitance of a triode, a second (or Screening) grid was introduced (Fig. 49).

As we have seen (Fig. 46) the grid/anode capacitance is the cause of all our troubles; the Screen composed of a wire helix is, therefore, interposed between the control grid g1 and anode; thus the residual capacitance between g1 and A can be considerably reduced, nullifying to a large extent the possibility of feedback.
The screening grid is normally connected to earth, or more correctly the common low potential end of the circuit in which the valve is being used; in practice g2 goes to earth via a capacitor, since this electrode is connected also to positive high tension supply.

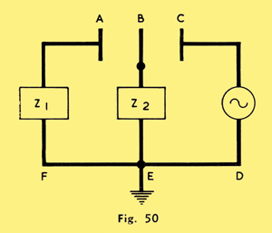
The function of the screen is as follows: supposing a solid metal plate B were interposed between two outer electrodes which alone formed a capacitor (Fig. 50) then, if the impedance Z2 were of a high value, the resultant capacitance between A and C would be reduced to a value approximately equal to AB and BC in series. If, on the other hand, Z2 was short-circuited, i.e. an unrestricted passage to earth for currents flowing round C-B-E-D, then complete isolation of capacitance between A and C would result. It was mentioned earlier that the screen is connected to earth via a capacitor, which is in effect the impedance Z2. Thus it will be appreciated that the value of this capacitor must be such as to provide a virtually unrestricted passage to alternating currents. This value will be large for audio frequencies and small for the higher or radio frequencies. Obviously, the flow of electrons from the cathode of a valve through g1 to the anode must be maintained, so that the screen must take the form of a wire helix, permitting electron flow, but providing the necessary screen effect. In practice, the screen behaves almost as a perfect shield reducing Cag from, say, 5 micro-microfarads (pF) to the order of 0.01pF, or less. This has now achieved the object of reducing capacity feedback to negligible proportions, but has introduced another characteristic of a different nature, the effects of which we will now examine.
Since the screening grid is operated at a positive potential with respect to cathode it acts as an accelerator to the electrons passing from cathode to anode. Now the electron velocity due to this acceleration is such that bombardment of the anode by the primary electrons releases secondary electrons from the metal constituting the anode itself; this is known as secondary emission and is illustrated in Fig. 51. That the effects of this phenomenon on the behaviour of the valve are most important will be appreciated by the following description.

Considering first the effect of employing this screened grid valve as an HF amplifier; it will be seen (Fig. 52) that, due to virtual isolation of g1 and anode, the positive feedback path is now practically non-existent. Providing that care is exercised in reducing coupling (due to external wiring) to a minimum, a stable amplifier will result.

These conditions only obtain, however, if certain rules are observed regarding anode and screen grid operating potentials. From an examination of Fig. 53 (Curves do not relate to a particular valve, but are generally representative of this type.) it is seen that if anode current is plotted against anode voltage at constant screen voltage (50 Volts in Fig. 53) the anode current rises rapidly until Va approaches Vg2 when it decreases until it reaches a minimum (Va = Vg2); with each additional increment of Va thereafter Ia again rises steeply until it becomes linear (portion AB of the curve). An interesting point which will have been noticed is that the screen current is inversely proportional to the anode current, resulting in the cathode current, i.e. total current through the valve (Ik), remaining sensibly constant.

The following explanation will help to clarify the operation of a screened grid valve under the above conditions. It was mentioned earlier in this chapter that the high velocity primary electrons impinging on the anode gave rise to secondary emission Considering first the valve with zero Volts on the-anode and 50 Volts on the screen; the anode current will virtually be zero since the anode does not exercise any attractive force to the electron stream emanating from the cathode. The screen current, however, will have its maximum value under these conditions since it is now a virtual anode collecting the electron stream due to its being 50 Volts positive with respect to the cathode. Stray electrons shooting through the grid helix may reach the anode due to the velocity imparted by the positive grid, but this will amount to only a few microamperes (μA) and is not of sufficient importance to affect the present discussion.
If the anode voltage is now gradually increased until it reaches point X on the curve (Fig. 53) corresponding to approximately 20 Volts positive, some of the electrons, which were constituents of the screen current, are now taken straight through the screen to the anode. The electron velocity at Va = 20 is not sufficient, however, to ca use secondary emission and up to this point (X) Ia increases with Va. A further increase in the anode voltage beyond X results in a corresponding increase in the electron velocity and this is where secondary emission becomes manifest. The anode voltage is still considerably less than the screen voltage so that when secondary electrons are released from the anode they are attracted towards the electrode which has the higher positive potential, i.e. the screen. The screen current, therefore, due to primary plus secondary electrons begins to increase (X¹) and, simultaneously, anode current decreases. The corresponding decrease in Ia is due to the space charge formed between anode and screen due to opposing action of primary and secondary electrons. The space charge thus forms an effective screen between these two electrodes. The space charge becomes more dense as the anode voltage is increased from X to Y, with a further consequent reduction in Ia, and an increase in Ig2. This space charge and its effect as a virtual screen is illustrated in Fig. 51. It is seen from point Y on the curve that Ia is at a minimum when Va = Vg2. As Va begins to exceed Vg2 the secondary electrons will now be largely attracted towards the anode from which they have been displaced thus Ia again increases until it reaches point A, at Va = 75 Volts. The anode is now so much more positive than the screen that no secondary emission can be attracted to the screen.
The portion of the curve in Fig. 53 between X and Y is called the negative resistance characteristic and derives its name from the fact that an increase in voltage (between these limits) causes a corresponding decrease in current, hence, negative resistance.

As will be discussed in the ensuing chapters the valve may only be used as an amplifier when the operating potentials on the screen and anode are such as to permit a linear voltage excursion, i.e. between A and B.

Referring to Fig. 29 Electrons in Triodes, it is seen that the ratio δVa/δIa expressed in Ohms, is the Internal or Anode AC Resistance of the valve and is known by the symbol ra. For the purpose of comparing the triode and screened grid type characteristics Fig. 29 in the triode book is reproduced below (Fig. 54). From the slope shown in Fig. 54 (AB) it is immediately apparent that the ratio of change of anode voltage to anode current δVa/δIa is approximately 4:1. Now for the sake of clarity let us assume that δVa=20 Volts, and δIa=5 milliamps, then the anode AC resistance of this particular valve would be 20/5 x1,000 = 4,000 Ohms.

If we reduce the slope so that it now appears as at CD the resistance becomes 60V/1mA x 1,000 = 60,000 Ohms. Thus it is seen that the resistance is a function of the slope, the relationship being one of inverse proportion.
We have now established that triodes in general have a relatively low value of ra, the reason for this being that a change of anode current is directly influenced by a change of anode Volts.
In order to appreciate the significance of the example of low slope (high resistance) given above, part of Fig. 53 is reproduced here (Fig. 55) showing the anode voltage/anode current relationship of a screened grid valve.

Comparing this with the triode slope AB Fig. 54 and remembering how the resistance increased as the slope was decreased to CD it is seen that the part of the curve EF of Fig. 55 also represents a high value of anode AC resistance. It should be fully appreciated before proceeding further that the numerical example given in Fig. 54 has been provided for demonstration purposes only, and any resistance value thus derived is not necessarily related to the slope shown in Fig. 55 since the scale of voltage and current will vary for a given valve. The portion of the curve (EF) is more likely, in a typical SG valve, to be representative of a value of ra of the order of 500,000 Ohms.
Having seen the effect of inserting a screened grid between cathode and anode of a triode to make our screened grid valve it will now be convenient to examine why this apparently simple expedient of reducing grid/anode capacitance has such a marked effect on the ra of the valve. That this property exists has been proved conclusively by analysis of the slope, but it may be presented more clearly by consideration of the physical aspect of electron flow behaviour within the valve.

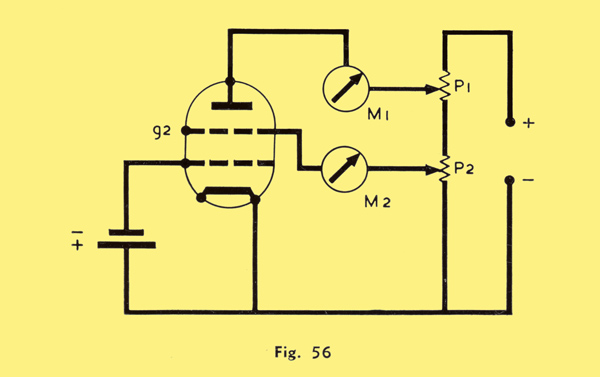
Look at Fig. 56; this shows the screened grid valve provided with a means of varying the voltage applied to the anode and screen (g2). In series with each of these supply leads is connected a milliammeter in order that readings of the anode and screen currents may be observed independently with variation of anode and screen voltage.
Remembering our recent findings that a triode has a lower value of ra than a tetrode or screened grid valve due to the electron stream (and hence the current through the valve) being directly influenced by a change of anode Volts we may now refer again to Fig. 56.
The screening grid (g2) the control grid (g1) and the cathode constitute a triode valve, g2 being the virtual anode. If we raise or lower the voltage on g2 by means of potential divider P2 then the current variation, as shown by milliameter M2, will be directly proportional (within certain limits set by the valve characteristics) to the change of voltage; thus the ra of our triode would be relatively low. If we now fix the voltage on g2 at some convenient level, say 150 Volts, and vary the anode proper voltage by means of P1 a very different state of affairs will exist.
Provided that the anode Volts are varied between the limits of E and F (Fig. 55) and are not allowed to fall below the so called knee of the anode Volts/anode current characteristic, marked X, then a change of anode voltage brought about by adjustment of P1 will result in only a small change of current, indicated by M1. The reason for this is that the screen (g2) is nearer to the actual electron source, i.e. the cathode, and therefore may directly influence the electron stream; thus the electron velocity is fixed largely by this electrode. Further increase or decrease in the electrostatic stress, by varying the anode voltage, will have but little effect, since the anode cannot to any appreciable extent influence the electrons on the cathode side of g2 due, as we have seen earlier, to the shielding action of this latter.
As was quoted in the triode book, amplification factor = mutual conductance x anode AC resistance, or μ = gm x ra. Now this parameter μ is a measure of the ability of a valve to magnify small potentials applied to the control grid, and from the following simple expression:-
Gain = (μ x Ra) / (Ra + ra) where Ra = value of external anode load; and ra = internal or anode AC resistance of the valve; it will be seen that if μ is large then the gain of the valve will be higher than if μ was small; provided of course that the correct value of RL has also been chosen.
A valve having a high μ therefore is capable of providing a relatively large gain; now we have seen that μ = gm x ra, and have also established that tetrodes have a considerably higher ra than triodes; it follows then that our tetrode will provide, not only the stability due to reduction of grid / anode capacitance, but a much greater stage gain than a triode.
The derivation of mutual conductance, or the slope as it is often called, has been clearly defined, together with other parameters in the triode booklet.
Since gm is governed largely by the geometry of the valve, particularly control grid/cathode, spacing, there is no particular rule which can be applied relating to differences of this parameter in triodes and tetrodes. In general, however, it can be stated that the effect of inserting the screening grid in a valve is to lower slightly the ratio (change of anode current) / (change of control grid Volts) (gm)due to the shielding effect of the screen grid described earlier.

Whilst discussing the characteristics of the screened grid valve the limitation of this valve became apparent when it was seen that below the knee of the Ia/Va curve (Fig. 55) the negative slope caused the anode voltage to fall below the screen (g2) voltage. This was due to secondary emission from the anode, and in order to extend the linear working range so that the anode voltage could swing below that of the screen without introducing distortion, a method of preventing secondary emission was devised, resulting in an Ia/Va curve, as shown in Fig. 57.

The new valve to fulfil the previous mentioned conditions is the pentode, so called because it has five electrodes in all; these will be seen with their appropriate labels in Fig. 58.

The third grid, introduced to prevent secondary electrons from reaching the screen, is called the suppressor grid, and its action in our new pentode is as follows.
Under actual operating conditions the suppressor is connected to the cathode; this is sometimes already done internally by the valve manufacturer, but on many types it is brought out to a separate pin. Since our suppressor grid is interposed between the screening grid and the anode, and is at the potential of the cathode, i.e. negative with respect to the anode, it acts as a repellent to the negative secondary electrons in the manner depicted in Fig. 59.
During operation of the valve, should the anode voltage swing below that of the screen, as in modern amplifier circuits is often the case, then secondary electrons emitted by the anode cannot return to the screen. In this manner the negative resistance characteristic is removed, enabling a greater distortion less output to be obtained from the valve, the effective working range of the Ia/Va curve being extended from AD to CB in Fig. 57.

Mazda 6F1 high slope screened RF pentode.
As the screening grid of a tetrode is operated at a positive potential with respect to the cathode, it acts as an accelerator to electrons passing from cathode to anode. The electron velocity due to this acceleration is such that bombardment of the anode by primary electrons releases secondary electrons from the metal of the anode itself (Fig. 51).

This phenomenon is known as secondary emission. The effect of this on the behaviour of the valve is most important and is discussed thoroughly
Typical valve structure - anode and beam plate removed. With most of the anode removed the beam plate is revealed.
In the Beam Tetrode this additional electrode takes the form of a plate with a window or aperture but which otherwise encloses the screen grid (g2) as shown in the photograph, thereby shielding it from secondary electrons emitted at such an angle from the anode that they would be attracted back to the screen grid were it not for this beam plate. (see below).

The width of the beam plate aperture is chosen so that at the current taken by the valve the right compromise is achieved between (a) a wide aperture which will still permit some secondaries to return or (b) too narrow an aperture which would alter the Ia/Va characteristic.

If the beam plate aperture is narrow the edges will project too near the area of the main electron stream as shown in Fig. 62a and as they are at earth potential, the electric field will be modified and primary electrons will be retarded or even returned to the screen grid. This is more serious when the anode voltage swings below that of the screen grid, for the effect is to reduce the anode current available at low anode voltage and hence the power output delivered into the load. This does, in fact, amount to over-suppression as illustrated by the curves in Fig. 62b.

If the beam plate aperture is too wide the shielding effect near the edge of the beam will be reduced as illustrated in Fig. 63a and secondary electrons may return to the screen grid.

This now gives rise to secondary emission kinks as in an unsuppressed tetrode and illustrated by the curves of Fig. 63b. In practice a very slight amount of secondary emission is usually permitted in order to produce a sharp knee to the Ia/Va curve, thus permitting more power to be delivered into the load resistance.

It is necessary to remember that since the electron stream itself is the main agent for producing the retarding field, the degree of suppression obtained will depend on the current density (or electron density) in the beam. Perfect suppression is achieved, therefore, only at one value of anode current for any specific type of valve. At lower currents the valve will be under-suppressed and at higher currents it will be over-suppressed.
In a tetrode valve the beam plate is usually designed to provide adequate suppression at the highest current demanded of the valve. This will usually be the anode current when Vg, = -1V. Examination of the curves of Fig. 64 will show that at higher grid Volts (lower current) secondary emission kinks begin to appear, but are usually avoided until the current is less than half the maximum value.

An additional device used with beam tetrodes as well as with pentodes is the alignment of the grid wires (g1) so that the electron beam is directed at the spaces between the screen grid wires (g2). This is done by winding the screen grid and control grid at exactly the same pitch (turns per inch). The grids are adjusted during manufacture so as to bring the turns of each into alignment. They are then locked into place by clips fitted tightly into the mica support or other similar method.

The turns of the screen grid are now shielded from the electron stream by the control grid turns. The focusing effect produced by the control grid helps to reduce the screen grid current to a very low level by directing the electron stream at the spaces between the screen grid wires as shown in the diagram of Fig. 65. In a non-aligned valve the minimum diameter of the screen grid wire is limited by mechanical considerations. The pitch must also be sufficiently close to maintain a uniform electric field for acceleration of the electrons so that the ratio screen current/anode current is about 15% to 20%. With grid alignment it becomes possible to use larger diameter helix wires and closer pitch, thus improving the physical strength of the grid and at the same time reducing the screen current to anode current ratio to 10% or lower. The low screen current achieved by this method is particularly desirable in high power output valves where apart from the improved overall efficiency of the valve (since the screen current is not included in the output circuit) it also avoids overloading the screen itself at maximum anode power.
The beam tetrode may be used in most applications to replace a pentode, particularly where maximum peak anode current is required, since a beam tetrode can be designed to give a sharper knee as shown in Fig. 67 and therefore a higher current at low anode voltages.

Due to the screening effect of the suppressor grid a pentode valve has a much lower anode to grid capacitance than a beam tetrode and for this reason pentodes are generally more suitable as low power high frequency amplifiers. On the other hand certain types of HF power valves such as those used for transmitting are made as tetrodes. The beam tetrode is also popular for its uses as an audio frequency power amplifier where the anode to grid capacitance is not critical and where a high power output is required at low anode voltages.

Characteristic curves of Mazda beam tetrode type 30PL1
|